امروز 28 آذر 1404

اتوکد الکتریکال

saeid.j

اتوکد الکتریکال

saeid.j

اتوکد الکتریکال

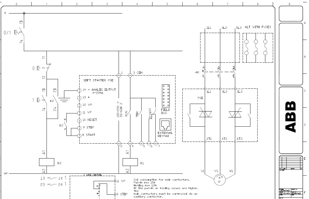
بخشی از طراحی مدار فرمان و قدرت با اتوکد الکتریکال.نقشه دستی از فرد استرالیایی که با اتوکد انجام دادم

19 دی 1401

مهارت‌های استفاده شده

اتوکد

19 دی 1401