امروز 7 خرداد 1405

برنامه نویسی PLC آسانسور به زبان FBD

MR_Fuladvand

برنامه نویسی PLC آسانسور به زبان FBD

MR_Fuladvand

برنامه نویسی PLC آسانسور به زبان FBD

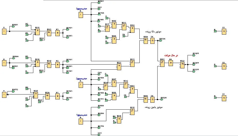
برنامه نویسی PLC برای آسانسور برای ساختمان سه طبقه به زبان FBD

24 اردیبهشت 1402

مهارت‌های استفاده شده

PLC & SCADA

24 اردیبهشت 1402

MR_Fuladvand MR_Fuladvand

MR_Fuladvand

سایر نمونه‌کارهای