امروز 7 خرداد 1405

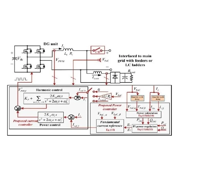
Active Harmonic Filtering Using Current-Controlled, Grid-Connected DG Units With Closed-Loop Power Control

Behzad91

Active Harmonic Filtering Using Current-Controlled, Grid-Connected DG Units With Closed-Loop Power Control

Behzad91

Active Harmonic Filtering Using Current-Controlled, Grid-Connected DG Units With Closed-Loop Power Control

جبران سازی هارمونیک توسط یک واحد DG به عنوان فیلتر اکتیو

15 اردیبهشت 1398

مهارت‌های استفاده شده

مقاله مهندسی برق متلب شبیه سازی

15 اردیبهشت 1398