امروز 8 خرداد 1405

عملیات MPPT برای سیستم متصل به شبکه PV با استفاده از RBFNN و طبقه بندی فازی

VIDA MOSHFEGH

عملیات MPPT برای سیستم متصل به شبکه PV با استفاده از RBFNN و طبقه بندی فازی

VIDA MOSHFEGH

عملیات MPPT برای سیستم متصل به شبکه PV با استفاده از RBFNN و طبقه بندی فازی

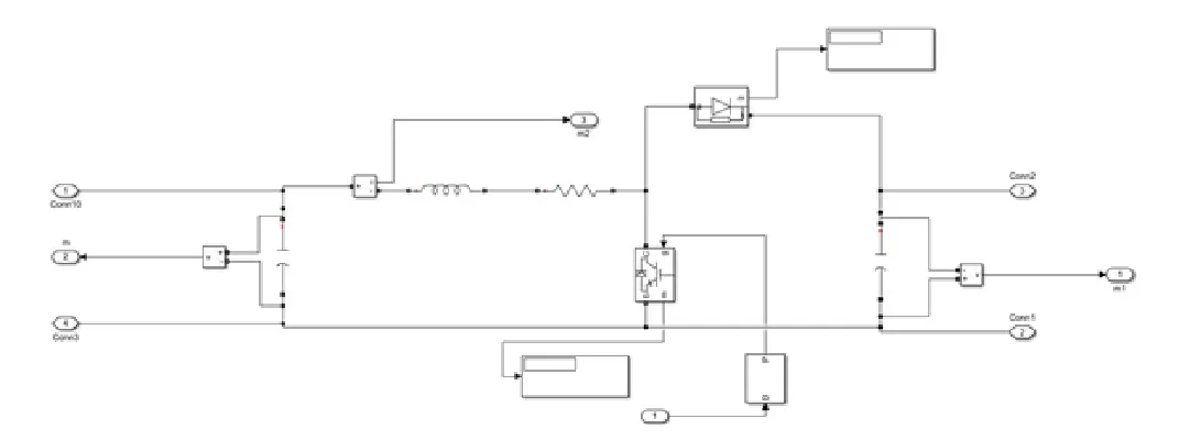
این پروژه یک روش جدید برای ردیابی نقطه حداکثر توان (MPPT) یک سیستم فتوولتائیک 20 کیلوواتی (PV) متصل به شبکه با استفاده از شبکه عصبی فازی ارائه می‌کند.

31 مرداد 1402

31 مرداد 1402

VIDA MOSHFEGH VIDA MOSHFEGH

VIDA MOSHFEGH

سایر نمونه‌کارهای