امروز 7 خرداد 1405

طراحی از دستگاه صنعتی

Benyamin082

طراحی از دستگاه صنعتی

Benyamin082

طراحی از دستگاه صنعتی

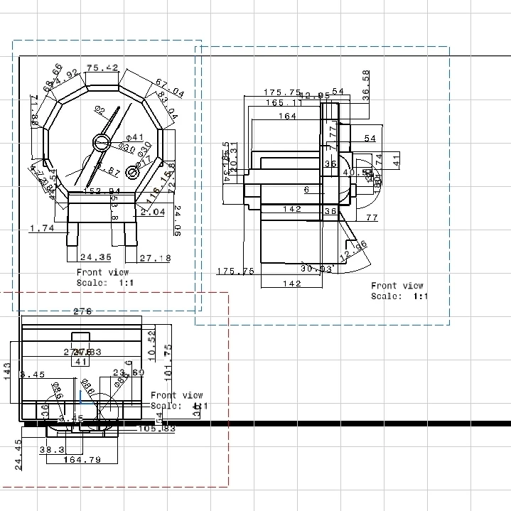
طراحی از دستگاه اسلایسر میوه. این دستگاه کاربرد صنعتی داره

10 اسفند 1403

مهارت‌های استفاده شده

Solidworks CATIA

10 اسفند 1403

Benyamin082 Benyamin082

Benyamin082

سایر نمونه‌کارهای