امروز 7 خرداد 1405

بهینه سازی دو بعدی احتراق پیش مخلوط بویلر نیروگاه تبریز به منظور کاهش ناکس ترمال با استفاده از نرم افزار ANSYS FLUENT

arian_nbt

بهینه سازی دو بعدی احتراق پیش مخلوط بویلر نیروگاه تبریز به منظور کاهش ناکس ترمال با استفاده از نرم افزار ANSYS FLUENT

arian_nbt

بهینه سازی دو بعدی احتراق پیش مخلوط بویلر نیروگاه تبریز به منظور کاهش ناکس ترمال با استفاده از نرم افزار ANSYS FLUENT

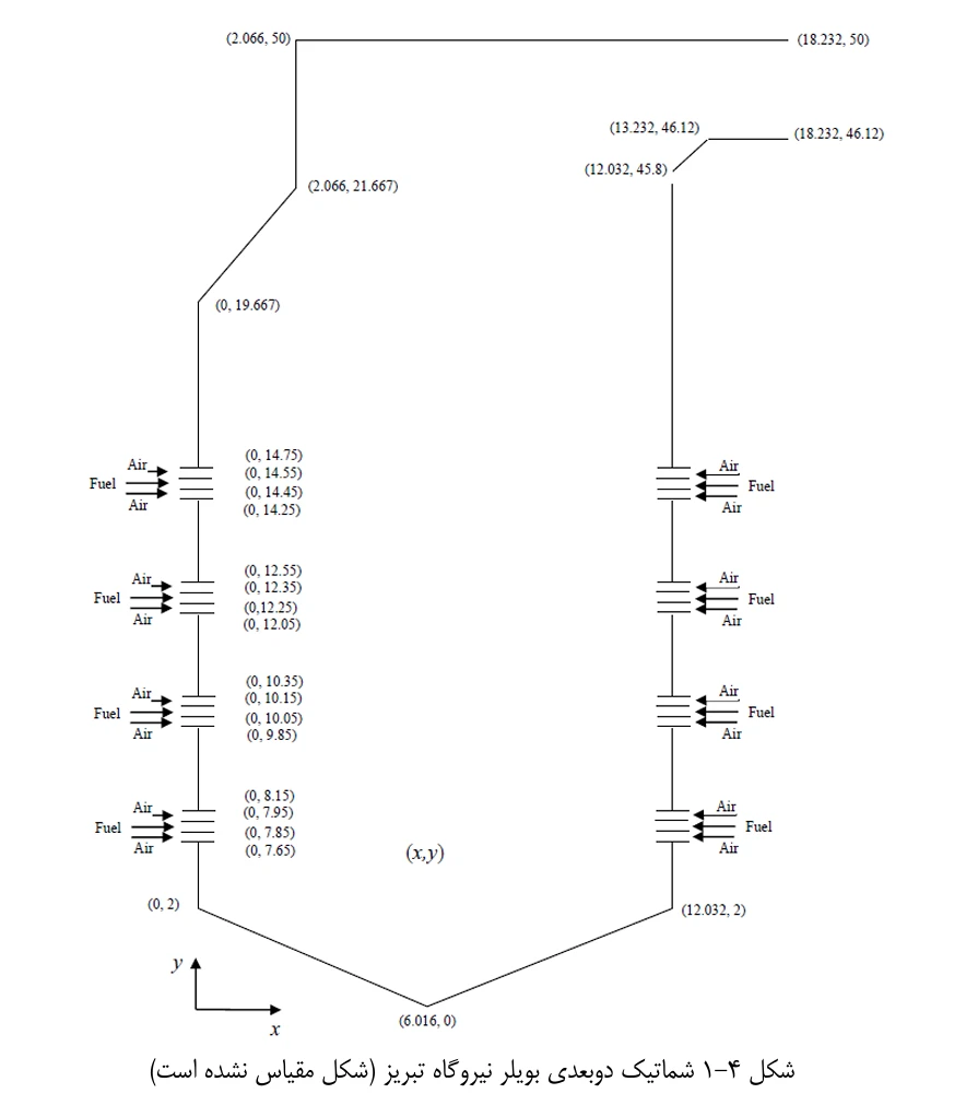
در این پروژه، فرایند احتراق پیش‌مخلوط در محفظه احتراق بویلر نیروگاه تبریز به‌صورت دوبعدی مدل‌سازی و تحلیل شده است. هدف اصلی کاهش آلاینده‌های اکسید نیتروژن (NOx ترمال) از طریق بهینه‌سازی پارامترهای کلیدی شامل هندسه مشعل، نرخ پاشش سوخت، نسبت هوا به سوخت و شرایط مرزی جریان ورودی است. شبیه‌سازی با استفاده از نرم‌افزار ANSYS Fluent و با بهره‌گیری از مدل‌های دقیق احتراق (EDC)، انتقال حرارت تابشی و تولید آلاینده‌ها انجام شده است. نتایج نشان می‌دهد که با تنظیم مناسب شرایط احتراق، می‌توان میزان NOx را به‌طور قابل‌توجهی کاهش داد، بدون آنکه بازده حرارتی سیستم افت محسوسی داشته باشد. این پروژه گامی مؤثر در راستای توسعه پایدار و بهینه‌سازی عملکرد زیست‌محیطی نیروگاه‌های حرارتی محسوب می‌شود.

29 تیر 1404

مهارت‌های استفاده شده

پایتون مهندسی مکانیک Solidworks Fluent

29 تیر 1404