امروز 8 خرداد 1405

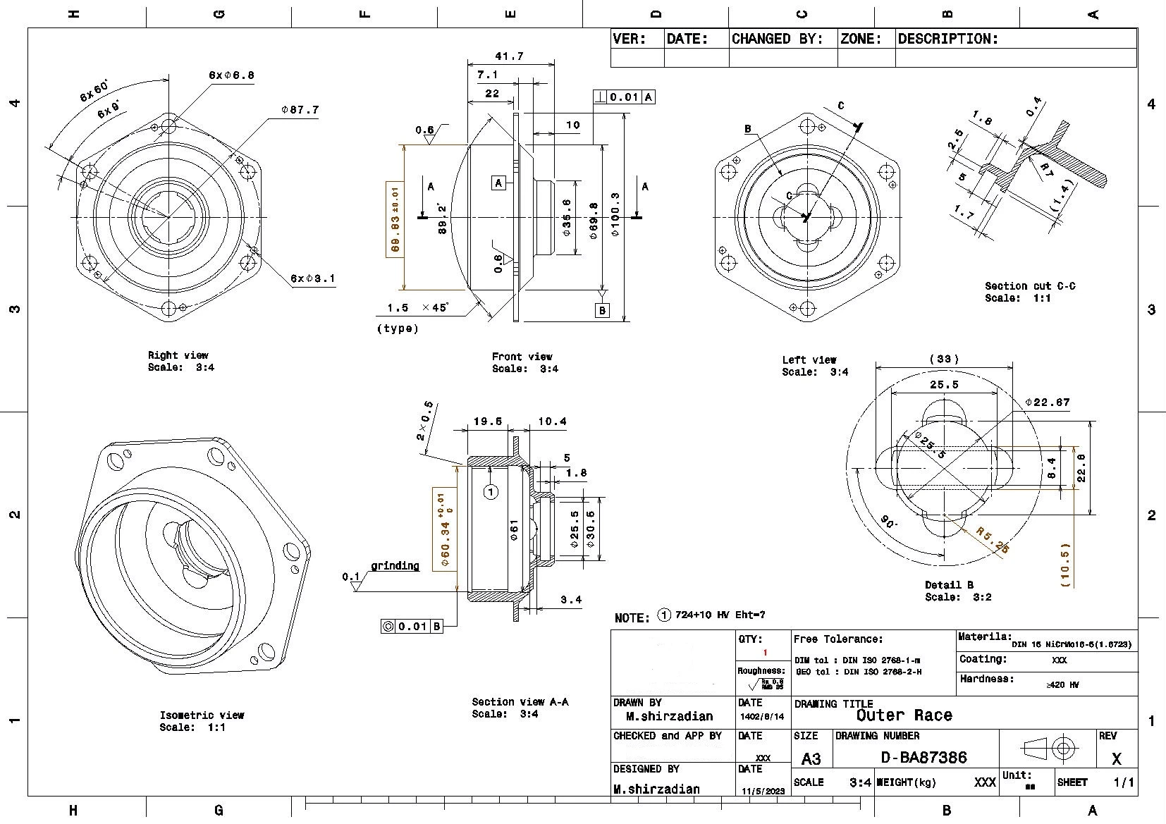
مهندسی معکوس قطعات خیلی خاص نفت و گازی صنعتی و طراحی تلرانسهای هندسی و ابعادی

MSHIRZAD

مهندسی معکوس قطعات خیلی خاص نفت و گازی صنعتی و طراحی تلرانسهای هندسی و ابعادی

MSHIRZAD

مهندسی معکوس قطعات خیلی خاص نفت و گازی صنعتی و طراحی تلرانسهای هندسی و ابعادی

مهندسی معکوس قطعات خیلی خاص نفت و گازی صنعتی و طراحی تلرانسهای هندسی و ابعادی بر اساس داده برداری و تحلیل عملکردی قطعات و ساخت و تست قطعات

14 مرداد 1404

14 مرداد 1404