امروز 8 خرداد 1405

پروژه کنترل روباست ریزشبکه با فازی نوع ۲ و SMC مرتبه ۲ در MATLAB/Simulink

faportfolio

پروژه کنترل روباست ریزشبکه با فازی نوع ۲ و SMC مرتبه ۲ در MATLAB/Simulink

faportfolio

پروژه کنترل روباست ریزشبکه با فازی نوع ۲ و SMC مرتبه ۲ در MATLAB/Simulink

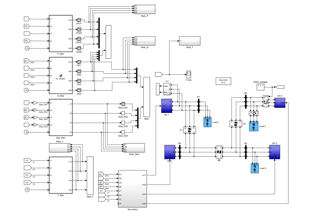
در این پروژه یک کنترلر ثانویه روباست برای ریزشبکه چند DG با هدف بهبود تقسیم توان راکتیو و پایداری ولتاژ طراحی و در MATLAB/Simulink R2023b پیاده سازی شد. ساختار پیشنهادی بر پایه کنترل مد لغزشی مرتبه ۲ (Super Twisting) به همراه کنترلر فازی نوع ۲ (IT2 FLC) برای تنظیم تطبیقی بهره ها و افزایش تحمل در برابر عدم قطعیت ها توسعه داده شد و به صورت ماژولار در مدل جایگزین کنترلر مرجع شد تا مقایسه منصفانه و قابل استناد انجام شود.

اعتبارسنجی کنترلر در سناریوهای کلیدی شبکه شامل تغییرات بار، plug and play (قطع و وصل DG و تغییر توپولوژی)، قطع لینک ارتباطی و طراحی fail safe و همچنین عدم قطعیت پارامتری/ساختاری شدید (تا حدود ۵۰ درصد روی پارامترهای فیزیکی مثل R L C و خطوط) انجام شد. نتایج شبیه سازی علاوه بر نمودارهای V و Q برای هر واحد، با شاخص های کمی مثل RMS، انحراف ماکزیمم مثبت و منفی و درصد انحراف گزارش شد و نشان داد کنترلر نوع ۲ در مقایسه با روش مرجع، پاسخ پایدارتر، نوسان کمتر و روباستی بالاتر در شرایط نامطمئن و رخدادهای ناگهانی ارائه می دهد.

24 آذر 1404

مهارت‌های استفاده شده

مهندسی برق متلب کنترل فازی

24 آذر 1404